产品中心

首页 > 产品中心
产品中心
主打产品
联系我们
电话

 13586679003

邮箱

zohari@126.com

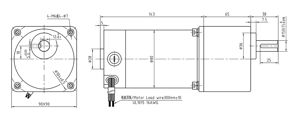
直流减速电机

T5D系列

电机型号

Motor Model

电压

Voltage

功率

Power

 空载参数

No-load Parameter

 负载参数

Load Parameters

电刷寿命

Brush life

电机重量

Motor Weight

转速

Speed

电流

Current

转速

Speed

力矩

Torque

电流

Current

V W r/min A r/min MN.M A H Kg
T5D60-12□ 12 60 3350 2 3000 191 7.5 2000 1.8
T5D60-24□ 24 60 3300 1 3000 191 3.6 2000 1.8
T5D60-90□ 90 60 3250 0.3 3000 191 1 2000 1.8
T5D60-12□ 12 60 2100 1 1800 318 7.5 2000 1.8
T5D60-24□ 24 60 2150 0.6 1800 318 3.6 2000 1.8
T5D60-90□ 90 60 2100 0.25 1800 318 1 2000 1.8
T5D90-12□ 12 90 3400 1.7 3000 286 10.2 2000 2.2
T5D90-24□ 24 90 3350 0.9 3000 286 5.2 2000 2.2
T5D90-90□ 90 90 3300 0.35 3000 286 1.4 2000 2.2
T5D90-12□ 12 90 2200 1.1 1800 477 10.2 2000 2.2
T5D90-24□ 24 90 2150 0.7 1800 477 5.2 2000 2.2
T5D90-90□ 90 90 2100 0.3 1800 477 1.4 2000 2.2
T5D120-12□ 12 120 3500 2.1 3000 382 13.9 2000 2.2
T5D120-24□ 24 120 3500 1.2 3000 382 7.1 2000 2.2
T5D120-90□ 90 120 3400 0.4 3000 382 1.9 2000 2.2
T5D120-12□ 12 120 2300 1.3 1800 636 13.9 2000 2.2
T5D120-24□ 24 120 2250 0.7 1800 636 7.1 2000 2.2
T5D120-90□ 90 120 2100 0.3 1800 636 1.9 2000 2.2
T55D200-12□ 12 200 3450 3.5 3000 636 22 2000 3.2
T55D200-24□ 24 200 3400 1.5 3000 636 11 2000 3.2
T55D200-90□ 90 200 3300 0.9 3000 636 5.4 2000 3.2
T55D200-12□ 12 200 2300 2 1800 1060 22 2000 3.2
T55D200-24□ 24 200 2150 1 1800 1060 11 2000 3.2
T55D200-90□ 90 200 2100 0.5 1800 1060 5.4 2000 3.2
※电机电压、功率及转速可在配件、尺寸允许情况下,可根据客户要求定制。
※外置电刷电机,用户可自行在外部更换,内置电刷电机更换时需将电机拆装后方可更换。

 

减速箱减速比/性能对照表  Gear Reductio/Performance Comparison

型号

Model

减速比

Gear Ratio

3 3.6 5 6 7.5 9 10 12.5 15 18 20 25 30 36 40 50 60 75 90 100 120 150 180 200
T5D60-24□30S

转速

Speed r/min

999 833 600 500 400 333 300 240 200 166 150 120 100 83 75 60 50 40 33 30 25 20 16.5 15

转矩

Torgue N.M

0.46 0.56 0.77 0.93 1.16 1.39 1.54 1.93 2.32 2.51 2.78 3.48 4.78 5.01 5.01 6.27 7.52 9.4 10 10 10 10 10 10
T5D60-24□18S

转速

Speed r/min

600 500 360 300 240 200 180 144 120 100 90 72 60 50 45 36 30 24 20 18 15 12 10 9

转矩

Torgue N.M

0.77 0.93 1.29 1.55 1.93 2.32 2.58 3.22 3.86 4.17 4.64 5.8 6.95 8.35 8.35 10 11 12 13 14 15 16 17 18
T5D90-24□30S

转速

Speed r/min

999 833 600 500 400 333 300 240 200 166 150 120 100 83 75 60 50 40 33 30 25 20 16.5 15

转矩

Torgue N.M

0.69 0.83 1.16 1.39 1.74 2.09 2.09 2.61 3.13 3.75 3.75 4.69 5.63 6.76 7.51 9.38 11.25 14.07 15.2 16.89 20 20 20 20
T5D90-24□18S

转速

Speed r/min

600 500 360 300 240 200 180 144 120 100 90 72 60 50 45 36 30 24 20 18 15 12 10 9

转矩

Torgue N.M

1.16 1.39 1.93 2.32 2.9 3.48 3.86 4.35 5.22 6.26 6.95 7.82 9.39 11.27 12.52 15.65 18.78 20 20 20 20 20 20 20
T5D120-24□30S

转速

Speed r/min

999 833 600 500 400 333 300 240 200 166 150 120 100 83 75 60 50 40 33 30 25 20 16.5 15

转矩

Torgue N.M

0.93 1.11 1.55 1.86 2.32 2.79 2.79 3.48 4.18 5.01 5.01 6.27 7.52 9 10 12.53 15 18.8 20 20 20 20 20 20
T5D120-24□18S

转速

Speed r/min

600 500 360 300 240 200 180 144 120 100 90 72 60 50 45 36 30 24 20 18 15 12 10 9

转矩

Torgue N.M

1.55 1.85 2.58 3.09 3.48 4.64 5.15 5.8 6.95 8.35 9.27 11.59 13.91 16.69 18.55 20 20 20 20 20 20 20 20 20
T55D200-24□30S

转速

Speed r/min

999 833 600 500 400 333 300 240 200 166 150 120 100 83 75 60 50 40 33 30 25 20 16.5 15

转矩

Torgue N.M

1.55 1.85 2.58 3.09 3.86 4.64 4.64 5.8 6.96 8.35 8.35 10.43 12.52 15 16.7 20 20 20 20 20 20 20 20 20
T55D200-24□18S

转速

Speed r/min

600 500 360 300 240 200 180 144 120 100 90 72 60 50 45 36 30 24 20 18 15 12 10 9

转矩

Torgue N.M

2.58 3.09 4.29 5.15 6.44 7.73 8.59 9.66 11.59 13.91 15.45 19.32 20 20 20 20 20 20 20 20 20 20 20 20
※ 表中转速是以电机的平均转速为基数,除以减速比而算出的数值,实际转速将随负载大小而变化,变化范围2-20% 。
※ 表中灰色表示输出轴的旋转方向与电机旋转方向相反。
※ 表中转矩是以电机额定转矩X减速比X传动效率计算而得

相关产品
台滕机电(宁波)有限公司

浙江省慈溪市白沙街道武陵桥村武陵路5号
电话:135 8667 9003
邮箱:zohari@126.com

联系我们