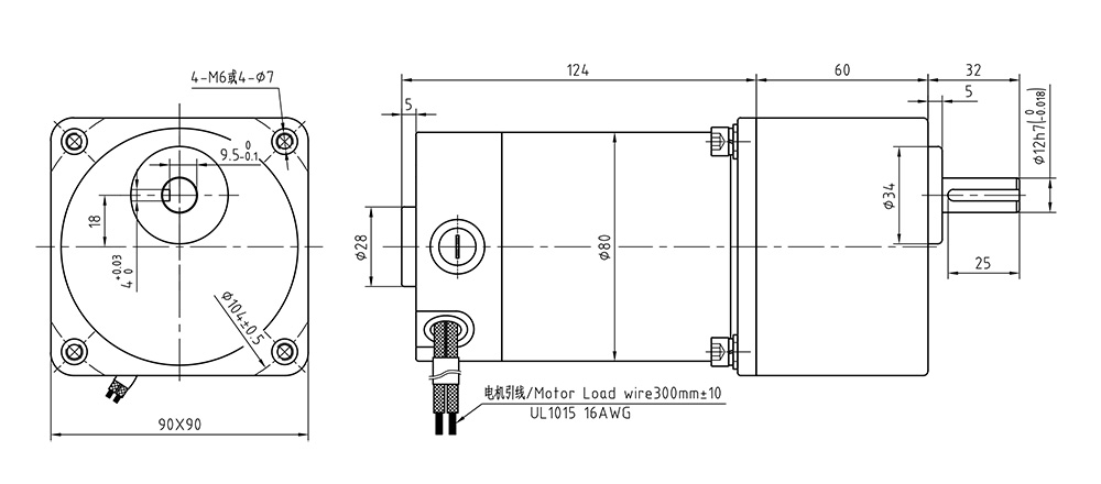
T5D系列
|
电机型号 Motor Model |
电压 Voltage |
功率 Power |
空载参数 No-load Parameter |
负载参数 Load Parameters |
电刷寿命 Brush life |
电机重量 Motor Weight |
|||
|
转速 Speed |
电流 Current |
转速 Speed |
力矩 Torque |
电流 Current |
|||||
| V | W | r/min | A | r/min | MN.M | A | H | Kg | |
| T5D60-12□ | 12 | 60 | 3350 | 2 | 3000 | 191 | 7.5 | 2000 | 1.8 |
| T5D60-24□ | 24 | 60 | 3300 | 1 | 3000 | 191 | 3.6 | 2000 | 1.8 |
| T5D60-90□ | 90 | 60 | 3250 | 0.3 | 3000 | 191 | 1 | 2000 | 1.8 |
| T5D60-12□ | 12 | 60 | 2100 | 1 | 1800 | 318 | 7.5 | 2000 | 1.8 |
| T5D60-24□ | 24 | 60 | 2150 | 0.6 | 1800 | 318 | 3.6 | 2000 | 1.8 |
| T5D60-90□ | 90 | 60 | 2100 | 0.25 | 1800 | 318 | 1 | 2000 | 1.8 |
| T5D90-12□ | 12 | 90 | 3400 | 1.7 | 3000 | 286 | 10.2 | 2000 | 2.2 |
| T5D90-24□ | 24 | 90 | 3350 | 0.9 | 3000 | 286 | 5.2 | 2000 | 2.2 |
| T5D90-90□ | 90 | 90 | 3300 | 0.35 | 3000 | 286 | 1.4 | 2000 | 2.2 |
| T5D90-12□ | 12 | 90 | 2200 | 1.1 | 1800 | 477 | 10.2 | 2000 | 2.2 |
| T5D90-24□ | 24 | 90 | 2150 | 0.7 | 1800 | 477 | 5.2 | 2000 | 2.2 |
| T5D90-90□ | 90 | 90 | 2100 | 0.3 | 1800 | 477 | 1.4 | 2000 | 2.2 |
| T5D120-12□ | 12 | 120 | 3500 | 2.1 | 3000 | 382 | 13.9 | 2000 | 2.2 |
| T5D120-24□ | 24 | 120 | 3500 | 1.2 | 3000 | 382 | 7.1 | 2000 | 2.2 |
| T5D120-90□ | 90 | 120 | 3400 | 0.4 | 3000 | 382 | 1.9 | 2000 | 2.2 |
| T5D120-12□ | 12 | 120 | 2300 | 1.3 | 1800 | 636 | 13.9 | 2000 | 2.2 |
| T5D120-24□ | 24 | 120 | 2250 | 0.7 | 1800 | 636 | 7.1 | 2000 | 2.2 |
| T5D120-90□ | 90 | 120 | 2100 | 0.3 | 1800 | 636 | 1.9 | 2000 | 2.2 |
| T55D200-12□ | 12 | 200 | 3450 | 3.5 | 3000 | 636 | 22 | 2000 | 3.2 |
| T55D200-24□ | 24 | 200 | 3400 | 1.5 | 3000 | 636 | 11 | 2000 | 3.2 |
| T55D200-90□ | 90 | 200 | 3300 | 0.9 | 3000 | 636 | 5.4 | 2000 | 3.2 |
| T55D200-12□ | 12 | 200 | 2300 | 2 | 1800 | 1060 | 22 | 2000 | 3.2 |
| T55D200-24□ | 24 | 200 | 2150 | 1 | 1800 | 1060 | 11 | 2000 | 3.2 |
| T55D200-90□ | 90 | 200 | 2100 | 0.5 | 1800 | 1060 | 5.4 | 2000 | 3.2 |
| ※电机电压、功率及转速可在配件、尺寸允许情况下,可根据客户要求定制。 ※外置电刷电机,用户可自行在外部更换,内置电刷电机更换时需将电机拆装后方可更换。 |
|||||||||
减速箱减速比/性能对照表 Gear Reductio/Performance Comparison
|
型号 Model |
减速比 Gear Ratio |
3 | 3.6 | 5 | 6 | 7.5 | 9 | 10 | 12.5 | 15 | 18 | 20 | 25 | 30 | 36 | 40 | 50 | 60 | 75 | 90 | 100 | 120 | 150 | 180 | 200 |
| T5D60-24□30S |
转速 Speed r/min |
999 | 833 | 600 | 500 | 400 | 333 | 300 | 240 | 200 | 166 | 150 | 120 | 100 | 83 | 75 | 60 | 50 | 40 | 33 | 30 | 25 | 20 | 16.5 | 15 |
|
转矩 Torgue N.M |
0.46 | 0.56 | 0.77 | 0.93 | 1.16 | 1.39 | 1.54 | 1.93 | 2.32 | 2.51 | 2.78 | 3.48 | 4.78 | 5.01 | 5.01 | 6.27 | 7.52 | 9.4 | 10 | 10 | 10 | 10 | 10 | 10 | |
| T5D60-24□18S |
转速 Speed r/min |
600 | 500 | 360 | 300 | 240 | 200 | 180 | 144 | 120 | 100 | 90 | 72 | 60 | 50 | 45 | 36 | 30 | 24 | 20 | 18 | 15 | 12 | 10 | 9 |
|
转矩 Torgue N.M |
0.77 | 0.93 | 1.29 | 1.55 | 1.93 | 2.32 | 2.58 | 3.22 | 3.86 | 4.17 | 4.64 | 5.8 | 6.95 | 8.35 | 8.35 | 10 | 11 | 12 | 13 | 14 | 15 | 16 | 17 | 18 | |
| T5D90-24□30S |
转速 Speed r/min |
999 | 833 | 600 | 500 | 400 | 333 | 300 | 240 | 200 | 166 | 150 | 120 | 100 | 83 | 75 | 60 | 50 | 40 | 33 | 30 | 25 | 20 | 16.5 | 15 |
|
转矩 Torgue N.M |
0.69 | 0.83 | 1.16 | 1.39 | 1.74 | 2.09 | 2.09 | 2.61 | 3.13 | 3.75 | 3.75 | 4.69 | 5.63 | 6.76 | 7.51 | 9.38 | 11.25 | 14.07 | 15.2 | 16.89 | 20 | 20 | 20 | 20 | |
| T5D90-24□18S |
转速 Speed r/min |
600 | 500 | 360 | 300 | 240 | 200 | 180 | 144 | 120 | 100 | 90 | 72 | 60 | 50 | 45 | 36 | 30 | 24 | 20 | 18 | 15 | 12 | 10 | 9 |
|
转矩 Torgue N.M |
1.16 | 1.39 | 1.93 | 2.32 | 2.9 | 3.48 | 3.86 | 4.35 | 5.22 | 6.26 | 6.95 | 7.82 | 9.39 | 11.27 | 12.52 | 15.65 | 18.78 | 20 | 20 | 20 | 20 | 20 | 20 | 20 | |
| T5D120-24□30S |
转速 Speed r/min |
999 | 833 | 600 | 500 | 400 | 333 | 300 | 240 | 200 | 166 | 150 | 120 | 100 | 83 | 75 | 60 | 50 | 40 | 33 | 30 | 25 | 20 | 16.5 | 15 |
|
转矩 Torgue N.M |
0.93 | 1.11 | 1.55 | 1.86 | 2.32 | 2.79 | 2.79 | 3.48 | 4.18 | 5.01 | 5.01 | 6.27 | 7.52 | 9 | 10 | 12.53 | 15 | 18.8 | 20 | 20 | 20 | 20 | 20 | 20 | |
| T5D120-24□18S |
转速 Speed r/min |
600 | 500 | 360 | 300 | 240 | 200 | 180 | 144 | 120 | 100 | 90 | 72 | 60 | 50 | 45 | 36 | 30 | 24 | 20 | 18 | 15 | 12 | 10 | 9 |
|
转矩 Torgue N.M |
1.55 | 1.85 | 2.58 | 3.09 | 3.48 | 4.64 | 5.15 | 5.8 | 6.95 | 8.35 | 9.27 | 11.59 | 13.91 | 16.69 | 18.55 | 20 | 20 | 20 | 20 | 20 | 20 | 20 | 20 | 20 | |
| T55D200-24□30S |
转速 Speed r/min |
999 | 833 | 600 | 500 | 400 | 333 | 300 | 240 | 200 | 166 | 150 | 120 | 100 | 83 | 75 | 60 | 50 | 40 | 33 | 30 | 25 | 20 | 16.5 | 15 |
|
转矩 Torgue N.M |
1.55 | 1.85 | 2.58 | 3.09 | 3.86 | 4.64 | 4.64 | 5.8 | 6.96 | 8.35 | 8.35 | 10.43 | 12.52 | 15 | 16.7 | 20 | 20 | 20 | 20 | 20 | 20 | 20 | 20 | 20 | |
| T55D200-24□18S |
转速 Speed r/min |
600 | 500 | 360 | 300 | 240 | 200 | 180 | 144 | 120 | 100 | 90 | 72 | 60 | 50 | 45 | 36 | 30 | 24 | 20 | 18 | 15 | 12 | 10 | 9 |
|
转矩 Torgue N.M |
2.58 | 3.09 | 4.29 | 5.15 | 6.44 | 7.73 | 8.59 | 9.66 | 11.59 | 13.91 | 15.45 | 19.32 | 20 | 20 | 20 | 20 | 20 | 20 | 20 | 20 | 20 | 20 | 20 | 20 | |
| ※ 表中转速是以电机的平均转速为基数,除以减速比而算出的数值,实际转速将随负载大小而变化,变化范围2-20% 。 ※ 表中灰色表示输出轴的旋转方向与电机旋转方向相反。 ※ 表中转矩是以电机额定转矩X减速比X传动效率计算而得 |
|||||||||||||||||||||||||
