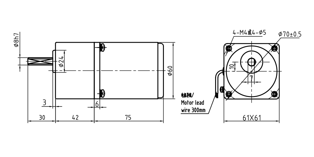
2IK电机系列
|
电机型号 Motor Model |
输出功率 Outout Power |
电压 Voltage |
频率 Frequenc |
电流 Current |
额定转速 Rated Speed |
额定转矩 Rated Torque |
启动转矩 Starting Torque |
运行电容 Capacitor |
|
|
齿轮轴型 Pinion Shaft |
圆轴型 Round Shsft |
W | V | Hz | A | r/min | MN.M | MN.M | UF/AC |
| 2IK6GN-C | 2IK6A-C | 6 | 1ph220 | 50 | 0.13 | 1200 | 44 | 65 | 0.8/450V |
| 60 | 0.12 | 1450 | 34 | 65 | |||||
| 2IK6GN-A | 2IK6A-A | 6 | 1ph110 | 50 | 0.24 | 1200 | 44 | 64 | 3.0/250V |
|
6o |
0.21 |
1450 | 40 | 65 | |||||
减速箱减速比/性能对照表 Gear Reductio/Performance Comparison
|
减速比 Gear Ratio |
3 | 3.6 | 5 | 6 | 7.5 | 9 | 10 | 12.5 | 15 | 18 | 20 | 25 | 30 | 36 | 40 | 50 | 60 | 75 | 90 | 100 | 120 | 150 | 180 | 200 | |
| 50Hz |
转速 Speed r/min |
450 | 375 | 270 | 225 | 180 | 120 | 135 | 108 | 90 | 75 | 67.5 | 54 | 45 | 37.5 | 33.7 | 27 | 22.5 | 18 | 15 | 13.5 | 11 | 9 | 7.5 | 6.75 |
|
转矩 Torque N.M |
0.1 | 0.13 | 0.18 | 0.21 | 0.27 | 0.32 | 0.36 | 0.45 | 0.54 | 0.64 | 0.7 | 0.8 | 0.96 | 1.16 | 1.29 | 1.61 | 1.74 | 2.17 | 2.6 | 2.89 | 3 | 3 | 3 | 3 | |
| 60Hz |
转速 Speed r/min |
516 | 430 | 310 | 258 | 206 | 172 | 155 | 124 | 103 | 86 | 77.5 | 62 | 51.6 | 43 | 38.75 | 31 | 25.8 | 20.6 | 17.2 | 15.5 | 12.9 | 10.3 | 8.6 | 7.75 |
|
转矩 Torque N.M |
0.09 | 0.11 | 1.15 | 0.18 | 0.23 | 0.27 | 0.3 | 0.38 | 0.45 | 0.54 | 0.6 | 0.68 | 0.82 | 0.98 | 1.09 | 1.36 | 1.47 | 1.84 | 2.2 | 2.45 | 2.94 | 3 | 3 | 3 | |
