6IK系列 200W
|
电机型号 Motor Model |
输出功率 Outout Power |
电压 Voltage |
频率 Frequenc |
电流 Current |
额定转速 Rated Speed |
额定转矩 Rated Torque |
启动转矩 Starting Torque |
运行电容 Capacitor |
|
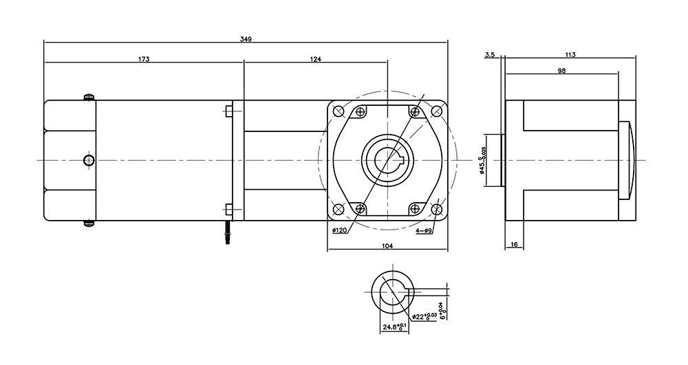
齿轮轴型 Pinion Shaft |
W | V | Hz | A | r/min | MN.M | MN.M | UF/AC |
| 6IK200GU-CF | 200 | 1ph220 | 50 | 1.3 | 1350 | 1414 | 1050 | 10.0/450 |
| 60 | 1.3 | 1550 | 1060 | 900 | ||||
| 6IK200GU-AF | 200 | 1ph110 | 50 | 2.6 | 1350 | 1310 | 950 | 35.0/250 |
| 60 | 2.7 | 1550 | 1090 | 920 | ||||
| 6IK200GU-SF | 200 | 3ph220 | 50 | 1.17 | 1350 | 1460 | 4620 | / |
| 60 | 0.98 | 1550 | 1060 | 3420 | ||||
| 6IK200GU-S3F | 200 | 3ph380 | 50 | 0.66 | 1350 | 1550 | 4500 | / |
| 60 | 0.54 | 1550 | 1350 | 3500 |
减速箱减速比/性能对照表 Gear Reductio/Performance Comparison
|
减速比 Gear Ratio |
3 | 3.6 | 5 | 6 | 7.5 | 9 | 10 | 12.5 | 15 | 18 | 20 | 25 | 30 | 36 | 50 | 60 | 75 | 90 | 100 | 120 | 150 | 180 | |
| 50Hz |
转速 Speed r/min |
450 | 375 | 270 | 225 | 180 | 120 | 135 | 108 | 90 | 75 | 67.5 | 54 | 45 | 37.5 | 27 | 22.5 | 18 | 15 | 13.5 | 11 | 9 | 7.5 |
|
转矩 Torque N.M |
2.52 | 3.03 | 4.2 | 5.04 | 7 | 8.4 | 9.34 | 11.7 | 14 | 16.8 | 18.7 | 23.3 | 28 | 33.6 | 40 | 40 | 40 | 40 | 40 | 40 | 40 | 40 | |
| 60Hz |
转速 Speed r/min |
516 | 430 | 310 | 258 | 206 | 172 | 155 | 124 | 103 | 86 | 77.5 | 62 | 51.6 | 443 | 31 | 25.8 | 20.6 | 17.2 | 15.5 | 12.9 | 10.3 | 8.6 |
|
转矩 Torque N.M |
2.09 | 2.5 | 3.48 | 4.17 | 5.8 | 6.95 | 7.73 | 9.66 | 11.6 | 13.9 | 15.5 | 19.3 | 23.2 | 27.8 | 37.8 | 40 | 40 | 40 | 40 | 40 | 40 | 40 | |
| ※表中转速是以电机的平均转速(50Hz:1350r/min、60Hz:1550r/min)为基数除以减速比而算出来的数值。实际转速将负载大小而变化,变化范围2-20% 。 ※表中灰色部分表示输出轴的旋转方向与电机旋转方向相反 ※表中转矩是以电机额定转矩X减速比X传动效率计算而得 ※减速箱的最大容许转矩为40N.M |
|||||||||||||||||||||||
