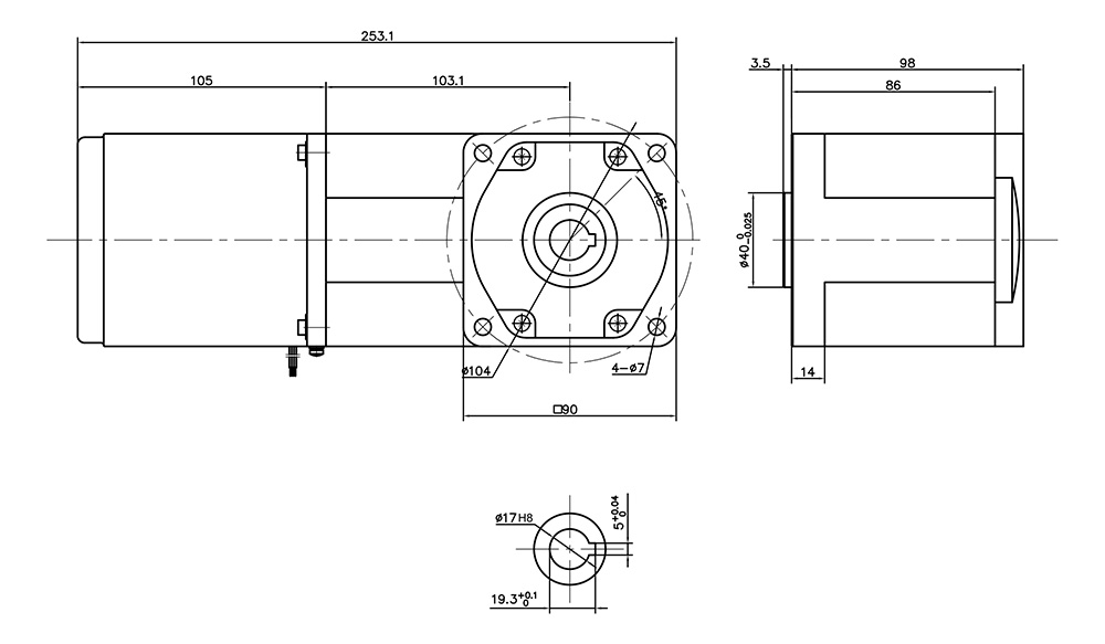
5IK系列 40W
| 电机型号 |
输出功率 Outout Power |
电压 Voltage |
频率 Frequenc |
电流 Current |
额定转速 Rated Speed |
额定转矩 Rated Torque |
启动转矩 Starting Torque |
运行电容 Capacitor |
|
齿轮轴型 Pinion Shaft |
W | V | Hz | A | r/min | MN.M | MN.M | UF/AC |
| 5IK40GN-C | 40 | 1ph220 | 50 | 0.35 | 1350 | 294 | 194 | 2.5/450 |
| 60 | 0.35 | 1550 | 232 | 199 | ||||
| 5IK40GN-A | 40 | 1ph110 | 50 | 0.64 | 1350 | 286 | 226 | 10.0/250 |
| 6o | 0.66 | 1550 | 234 | 231 | ||||
| 5IK40GN-S | 40 | 3ph220 | 50 | 0.32 | 1350 | 284 | 1130 | / |
| 60 | 0.28 | 1550 | 241 | 846 | ||||
| 5IK40GN-S3 | 40 | 3ph380 | 50 | 0.18 | 1350 | 284 | 1086 | / |
| 60 | 0.16 | 1550 | 241 | 837 |
减速箱减速比/性能对照表 Gear Reductio/Performance Comparison
|
减速比 Gear Ratio |
3 | 3.6 | 5 | 6 | 7.5 | 9 | 10 | 12.5 | 15 | 18 | 20 | 25 | 30 | 36 | 50 | 60 | 75 | 90 | 100 | 120 | 150 | 180 | |
| 50Hz |
转速 Speed r/min |
450 | 375 | 270 | 225 | 180 | 120 | 135 | 108 | 90 | 75 | 67.5 | 54 | 45 | 37.5 | 27 | 22.5 | 18 | 15 | 13.5 | 11 | 9 | 7.5 |
|
转矩 Torque N.M |
0.58 | 0.7 | 0.96 | 1.16 | 1.61 | 1.92 | 2.14 | 2.68 | 3.21 | 3.86 | 4.29 | 5.36 | 6.43 | 6.95 | 9.65 | 11.6 | 14.5 | 17.4 | 19.3 | 20 | 20 | 20 | |
| 60Hz |
转速 Speed r/min |
516 | 430 | 310 | 258 | 206 | 172 | 155 | 124 | 103 | 86 | 77.5 | 62 | 51.6 | 443 | 31 | 25.8 | 20.6 | 17.2 | 15.5 | 12.9 | 10.3 | 8.6 |
|
转矩 Torque N.M |
0.45 | 0.55 | 0.76 | 0.92 | 1.27 | 1.52 | 1.69 | 2.12 | 2.54 | 3.04 | 3.38 | 4.23 | 5.07 | 5.48 | 7.61 | 9.13 | 11.4 | 13.7 | 152 | 18.2 | 20 | 20 | |
| ※表中转速是以电机的平均转速(50Hz:1350r/min、60Hz:1550r/min)为基数除以减速比而算出来的数值。实际转速将负载大小而变化,变化范围2-20% 。 ※表中灰色部分表示输出轴的旋转方向与电机旋转方向相反 ※表中转矩是以电机额定转矩X减速比X传动效率计算而得 ※减速箱的最大容许转矩为20N.M |
|||||||||||||||||||||||
